2121非凡

Search

2121非凡·(中国游)体育官方网站

Package

Domestic professional research and development manufacturer of semiconductor devices

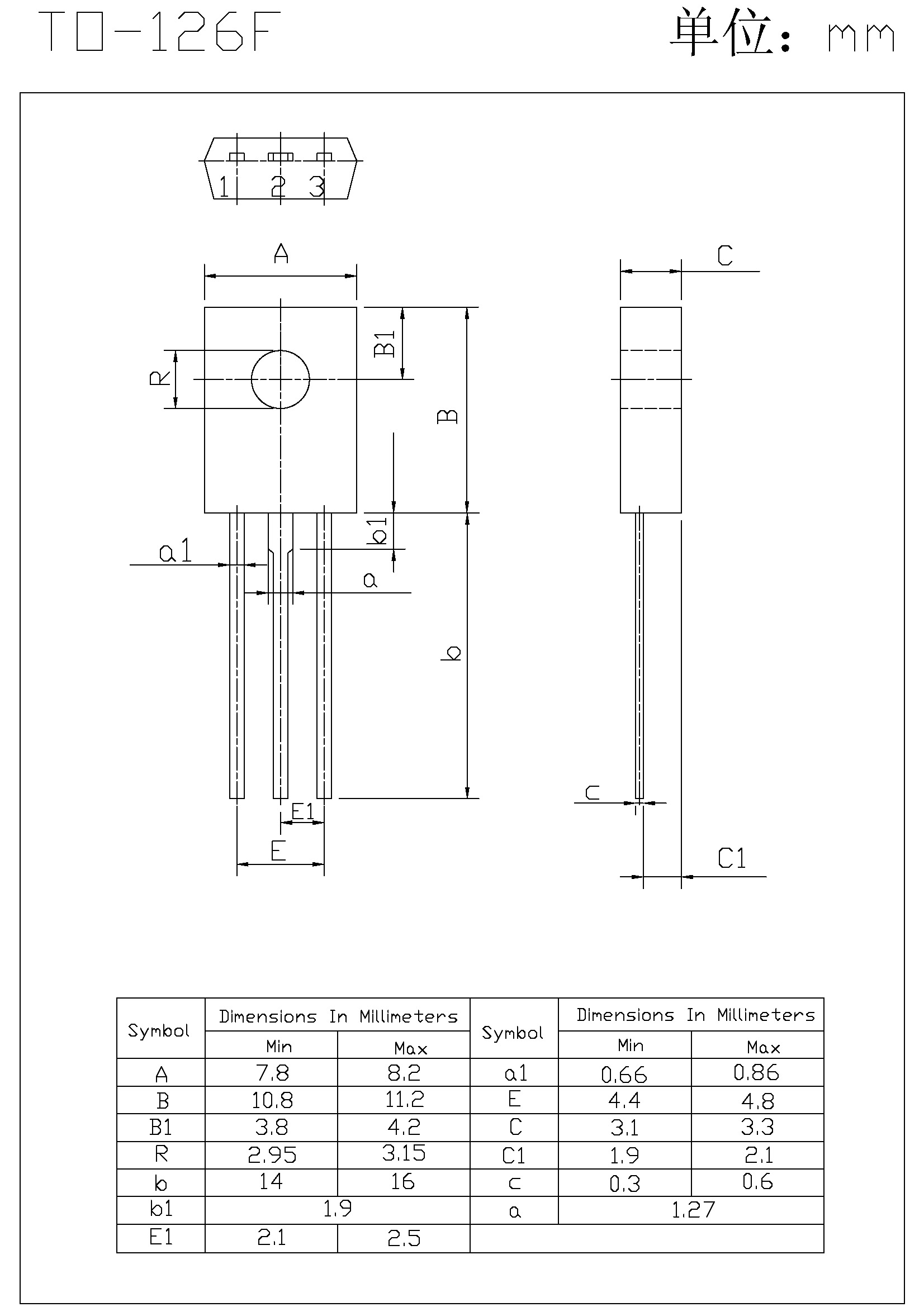
TO-126F Detailed introduction
2121非凡·(中国游)体育官方网站2121非凡·(中国游)体育官方网站
【网站地图】